
? ? ? ?電動工具是一種以小型電動機或電磁鐵作為動力。通過傳動機構驅動工作頭進行作業(yè)的小型工具,電動工具品牌繁多,功能齊全,攜帶方便,使用簡單 ,在各行業(yè)都得到了廣泛的應用,并已進入家庭,電動工具分為手持式和可移動式兩種,手持式電動工具使用更靈活,方便,應用更廣,很多品種已成為生產,生活必備的工具,電動工具品牌繁多,按照電動工具的功能和用途,將其分為了九大類。?
?電動工具主要分為金屬切削電動工具、研磨電動工具、裝配電動工具和鐵道用電動工具。各類電動工具常見的電動工具有電鉆、 電動砂輪機、 電動扳手和電動螺絲刀、電錘和沖擊電鉆、混凝土振動器、電刨。
在無繩電動工具應用中,電池包的電壓通常為16V、20V、24V、40V、60V和80V,會使用機械開關控制驅動板供電,但是由于機械開關的特性,會存在開關火花、壽命、體積等缺點。
圖1:電動工具中機械開關應用
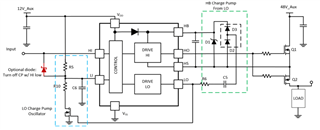
在電動工具中,引入高邊驅動方案,除了避免傳統(tǒng)機械開關的固有缺點,同時具有可控強、導通時間可調整、支持多包并聯、短路保護、體積小等優(yōu)點。如圖2所示,高邊驅動IC會產生高出電池包12V的電壓,通過控制MOS的Gate電壓,可以控制主回路通斷。

圖2:電動工具中高邊驅動芯片方案
1.支持多包并聯的LM5050
LM5050是High Side Oring FET Controller,工作電壓支持1V – 75V,最大承受電壓支持100V。LM5050通過檢測VDS上電壓,控制VGS上電壓,實現理想二極管的功能。同時因為LM5050內部已經集成了電荷泵,供電電壓無需高于電池包電壓。在無繩電動工具中,可以通過多包并聯方式,提升整體的電池容量,也可以實現不同電壓等級電池包并聯。如圖3所示,通過電池包輸出串聯MOS的源級,經由LM5050的控制,可以實現多個電池包并聯。

圖3:LM5050?應用多包并聯方案
2.支持高邊驅動的LM5060
LM5060是High Side ProtecTIon Controller,工作電壓支持5.5V- 65V,支持過壓保護、欠壓保護和過流保護,可調整的開通時間,通過控制EN引腳電壓,可以開斷輸出。LM5060內部集成了電荷泵,不需要額外供電,可以實現24uA門極充電電流和80mA的門極放電電流。LM5060的功耗較大,工作電流1.4mA,失能電流為9uA。

圖4:LM5060?高邊驅動方案
3.支持High Side?Back-to-back MOS驅動的BQ76200
BQ76200是High Side NFET 驅動芯片,工作電壓8V – 75V,最高承受100V電壓,可以分別控制兩個Back-to-Back MOS。相比LM5060,BQ76200的工作電流為40uA,失能狀態(tài)下,內部電荷泵模塊也會失能,靜態(tài)電流不超過10uA,更適合電池供電系統(tǒng)。同時,充電MOS和放電MOS可以分別獨立控制,靈活性更高。

圖5:支持充電/放電獨立控制的BQ76200
4. 支持Ideal?Diode模式和輸出開斷模式的?LM7480x
LM7480x是Back-to-Back NFET的驅動器,同時支持Ideal Diode模式和輸出開斷控制,輸入電壓支持3V – 65V,有-65V反向電壓承受能力,驅動開通電流20mA,驅動關斷電流2.6A,工作電流413uA,失能下靜態(tài)電流2.87uA。LM7480x即有LM5050的Ideal Diode模式,也具備LM5060輸出開斷控制。

圖6:同時支持Ideal Diode模式和輸出開斷模式的?LM7480x
5.使用半橋驅動芯片實現高邊Back-to-Back NFET驅動
對于之前的驅動IC,電池電壓不超過80V,驅動電流也相對小,開關速度較慢。對于80V以上的Back-to-Back NFET驅動,可以考慮圖6的方案(ApplicaTIon Report SLUAA58)。如圖6所示,通過半橋驅動芯片,例如UCC27284,構建電荷泵,把電荷泵電容電壓提升12V。通過上橋臂的邏輯電平,可以控制功率回路的通斷。同時,一般的半橋驅動IC的工作電流較大,工作電流達mA級別;失能條件下,靜態(tài)電流為7uA。從驅動能力上看,整體上取決于電荷泵電容和驅動電阻,在供電電壓12V,驅動電阻8.25?,電荷泵電容470nF等條件下,驅動電流為1.68A,開通關斷時間小于0.5us。

圖7:使用半橋驅動實現高邊驅動
最后,從母線電壓、功能、驅動能力、靜態(tài)電流等角度,給出以上5種方式的對比表格。
表1:5種高邊驅動方式的對比表格
|
? |
LM5050 |
LM5060 |
BQ76200 |
LM7480x |
Circuit in SLUAA58 |
|
FuncTIon |
Ideal Diode Controller |
High Side ProtecTIon Controller |
High Side Back-to-Back MOS Driver |
Ideal Diode Controller, High Side MOS driver |
High Side Back-to-Back MOS Driver |
|
Bus Voltage |
75V |
65V |
75V |
65V |
>100V |
|
Normal Mode Current |
420uA |
1.4mA |
40uA |
413uA |
1.1mA |
|
Shut Down Mode Current |
- |
9uA |
10uA |
2.8uA |
7uA |
|
Gate Charge current |
30uA |
24uA |
10.9mA/3.4mA |
20mA |
Depends on charge-pump capacitor and gate resistor(Several amperes) |
|
Gate Discharge current |
2.8A |
80mA |
40mA/12mA |
2.6A |
?